CR灿锐 XF-PTL13738-F 远心镜头
| 光学结构 | 双远心 |
| 倍率X | 0.287 |
| 物方视野(mm) | 132.4 |
| 像方视野(mm) | 38 |
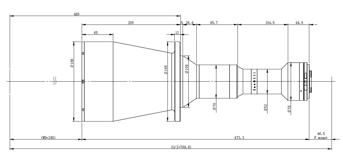
| 工作距离(mm) | 280 |
| 远心设计值(°) | 0.04 |
| 景深(mm) | 10.6 |
| 光圈 | F8 |
| 分辨力(μm) | 18.44 |
| 光学畸变设计值(%) | 0.062 |
| O/I(mm) | 799.8 |
| 最大口径(mm) | 166 |
| 镜头总长(mm) | 473.3 |
| 芯片类型 | 71M |
| 芯片长 | 31 |
| 芯片宽 | 22 |
| 对角线 | 38 |
| 物方视野长 | 108 |
| 物方视野宽 | 76.7 |
| 镜头接口 | F接口 |

0755-83512170 手机/微信:13249819590 QQ:2577758288 邮箱:2577758288@qq.com