CR灿锐 XF-PTL09229-F-VI 远心镜头
| 光学结构 | 双远心 |
| 倍率X | 0.317 |
| 物方视野(mm) | 91.5 |
| 像方视野(mm) | 29 |
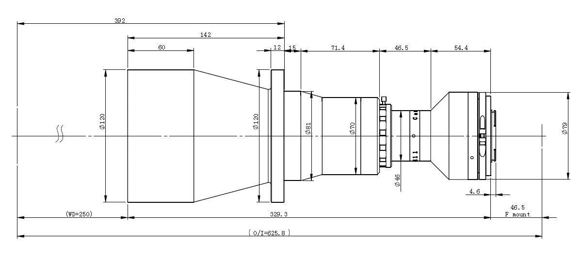
| 工作距离(mm) | 250 |
| 远心设计值(°) | 0.04 |
| 景深(mm) | 7.6-41.1 |
| 光圈 | F7-F37.5 |
| 分辨力(μm) | 14.57-78 |
| 光学畸变设计值(%) | 0.041 |
| O/I(mm) | 625.8 |
| 最大口径(mm) | 120 |
| 镜头总长(mm) | 329.3 |
| 芯片类型 | APS-C |
| 芯片长 | 22.5 |
| 芯片宽 | 16.9 |
| 对角线 | 28.1 |
| 物方视野长 | 71 |
| 物方视野宽 | 53.3 |
| 镜头接口 | F接口 |

0755-83512170 手机/微信:13249819590 QQ:2577758288 邮箱:2577758288@qq.com