DEHONG 德鸿 WTL160-07X10 远心镜头
基本参数
放大倍数(X)
0.7
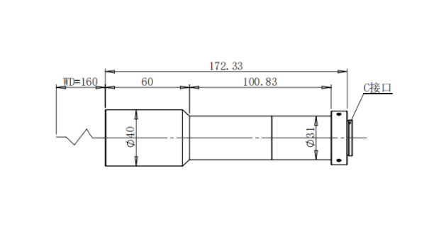
物距
160
景深(mm)
1.2
远心度
<0.1%
光学畸变
<0.1%
光圈
F12
MTF>0.3(LP/MM)
>120
相机接口
C
支持CCD尺寸
1
最大外径
40
视野范围(mm x mm)
1" CMV4000(11.26*11.26)
16.1*16.1
1" PYTHON5000 (12.4*9.8)
17.7*14
1" IMX255 (14.1*7.5)
20.1*10.7
1" IMX183 (13.1*8.7)
18.7*12.4

0755-83512170 手机/微信:13249819590 QQ:2577758288 邮箱:2577758288@qq.com