DEHONG 德鸿 WTL250-035X35 远心镜头
基本参数
放大倍数(X)
0.35
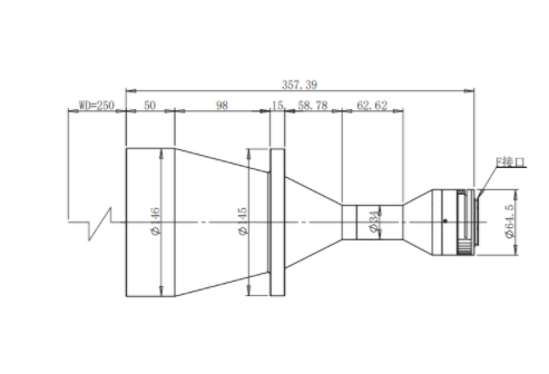
物距
250
景深(mm)
10.8
远心度
<0.1
光学畸变
<0.1
光圈
F16
MTF>0.3(LP/MM)
95
相机接口
F
支持CCD尺寸
43mm
最大外径
146
视野范围(mm x mm)
1.75 LiNeScan-4k(28.8)
81.9
CMV50000 (36.4*27.6)
104*78.8
KAI43142 (36*24)
102.9*68.6

0755-83512170 手机/微信:13249819590 QQ:2577758288 邮箱:2577758288@qq.com