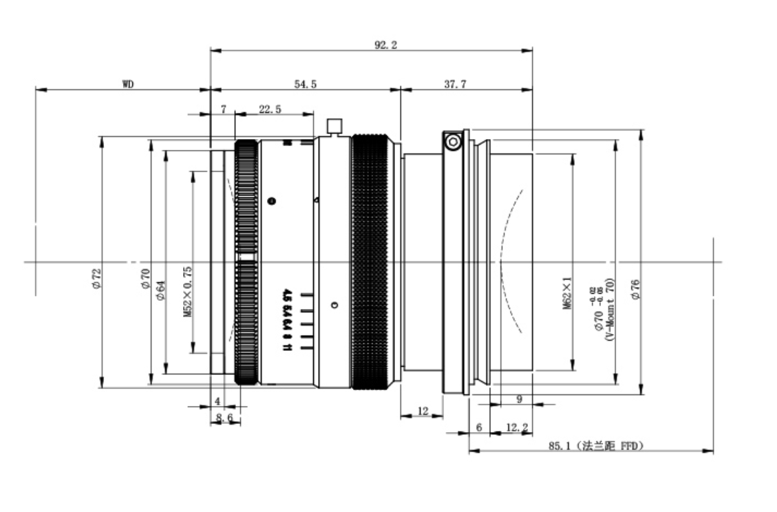
CR灿锐 XF-GY4595-01X 面阵镜头
| 倍率 | 0.03-0.1-0.16 |
| 工作距(mm) | 649-3056.3 |
| 共轭距(mm) | 813.6-3209 |
| 法兰距(mm) | 78.7-90.6 |
| 像面尺寸(mm) | 67.0 |
| 焦距(mm) | 95.0 |
| 畸变(%) | 0.07%-0.043% |
| 工作波段(nm) | 400-1100 |
| 物方NA | 0.010 |
| F数∞(F#) | 4.5-6.4 |
| 景深COC=3.5μmX1.4 | 2.0-71.8 |
| 景深COC=5μmX1.4 | 2.9-102.6 |
| MTFT @100lp/mm | 0.09-0.3 |
| MTFS @100lp/mm | 0.18-0.35 |
| MTFT @75lp/mm | / |
| MTFS @75lp/mm | / |
| MTFT @40lp/mm | / |
| MTFS @40lp/mm | / |

0755-83512170 手机/微信:13249819590 QQ:2577758288 邮箱:2577758288@qq.com