CR灿锐 XF-PTL12229-F 远心镜头
| 光学结构 | 双远心 |
| 倍率X | 0.238 |
| 物方视野(mm) | 121.8 |
| 像方视野(mm) | 29 |
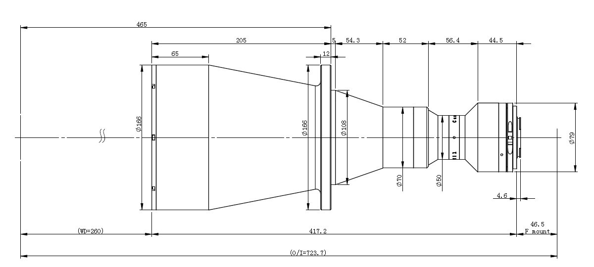
| 工作距离(mm) | 260 |
| 远心设计值(°) | 0.04 |
| 景深(mm) | 13.5 |
| 光圈 | F7 |
| 分辨力(μm) | 19.39 |
| 光学畸变设计值(%) | 0.038 |
| O/I(mm) | 723.7 |
| 最大口径(mm) | 166 |
| 镜头总长(mm) | 417.2 |
| 芯片类型 | APS-C |
| 芯片长 | 22.5 |
| 芯片宽 | 16.9 |
| 对角线 | 28.1 |
| 物方视野长 | 94.5 |
| 物方视野宽 | 71 |
| 镜头接口 | F接口 |

0755-83512170 手机/微信:13249819590 QQ:2577758288 邮箱:2577758288@qq.com