DEHONG 德鸿 WTL60-15X33 远心镜头
基本参数
放大倍数(X)
1.5
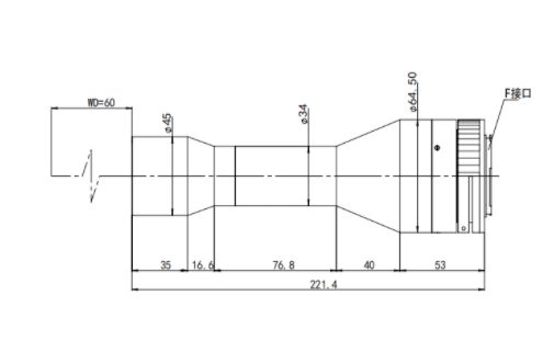
物距
60
景深(mm)
0.7
远心度
<0.1
光学畸变
<0.1
光圈
F18
MTF>0.3(LP/MM)
80
相机接口
F
支持CCD尺寸
2''
最大外径
45
视野范围(mm x mm)
4/3 PYTHON12K (18.4*13.8)
12*9
1.75 CMV12000 (22.5*16.9)
15*11.3
2" DALSA 12M (24.5*18.4)
16.3*12.3

0755-83512170 手机/微信:13249819590 QQ:2577758288 邮箱:2577758288@qq.com