CR灿锐 XF-PTL09262-M72-11.48-VI 远心镜头
| 光学结构 | 双远心 |
| 倍率X | 0.702 |
| 物方视野(mm) | 88.3 |
| 像方视野(mm) | 62 |
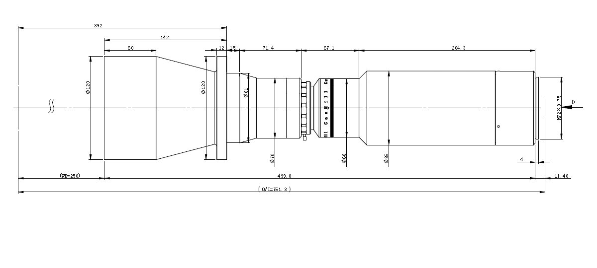
| 工作距离(mm) | 250 |
| 远心设计值(°) | 0.04 |
| 景深(mm) | 2.4@F11 |
| 光圈 | F6-F83 |
| 分辨力(μm) | 10.3@F11 |
| 光学畸变设计值(%) | 0.043 |
| O/I(mm) | 761.3 |
| 最大口径(mm) | 120 |
| 镜头总长(mm) | 499.8 |
| 芯片类型 | 12k x 5μm |
| 芯片长 | / |
| 芯片宽 | / |
| 对角线 | 61.44 |
| 物方视野长 | 87.5 |
| 物方视野宽 | / |
| 镜头接口 | M72接口 |

0755-83512170 手机/微信:13249819590 QQ:2577758288 邮箱:2577758288@qq.com