DEHONG 德鸿 WTL270-0163X10 远心镜头
基本参数
放大倍数(X)
0.163
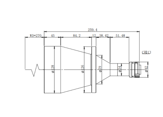
物距
270
景深(mm)
37.6
远心度
<0.1%
光学畸变
<0.1%
光圈
F15
MTF>0.3(LP/MM)
>120
相机接口
C
支持CCD尺寸
1
最大外径
128
视野范围(mm x mm)
1" CMV4000(11.26*11.26)
69.1*69.1
1" PYTHON5000 (12.4*9.8)
76.1*60.1
1" IMX255 (14.1*7.5)
86.5*46
1" IMX183 (13.1*8.7)
80.4*53.4

0755-83512170 手机/微信:13249819590 QQ:2577758288 邮箱:2577758288@qq.com