DEHONG 德鸿 WTL280-02X10 远心镜头
基本参数
放大倍数(X)
0.2
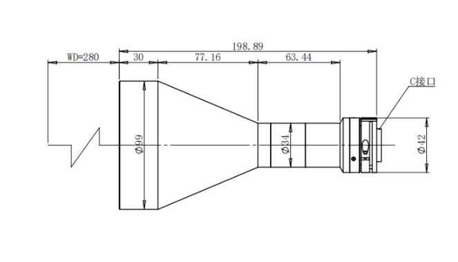
物距
280
景深(mm)
6
远心度
<0.1%
光学畸变
<0.1%
光圈
F6.8
MTF>0.3(LP/MM)
150
相机接口
C
支持CCD尺寸
1
最大外径
99
视野范围(mm x mm)
1" CMV4000(11.26*11.26)
56.3*56.3
1" PYTHON5000 (12.4*9.8)
65*49
1" IMX255 (14.1*7.5)
71*37.6
1" IMX183 (13.1*8.7)
65.7*43.8

0755-83512170 手机/微信:13249819590 QQ:2577758288 邮箱:2577758288@qq.com