DEHONG 德鸿 DH40-4F16X 视觉定位镜头
基本参数
放大倍数(X)
4
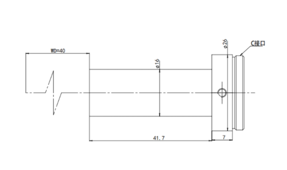
物距
40
景深(mm)
0.18
远心度
<0.1%
光学畸变
<0.1%
光圈
F35.65
MTF>0.3(LP/MM)
60
相机接口
C
支持CCD尺寸
1/2
最大外径
16
视野范围(mm x mm)
1/3 ICX445 (4.8*3.6)
1.2*0.9
1/2 python1300 (6.1*4.9)
1.5*1.2

0755-83512170 手机/微信:13249819590 QQ:2577758288 邮箱:2577758288@qq.com