COOLENS视清 DTCA121-20C-G 工业镜头
基本参数
支持CCD尺寸(Φmm)
20(1.2")
物方视场FOV(Φmm)
20
放大倍率β(x)
1
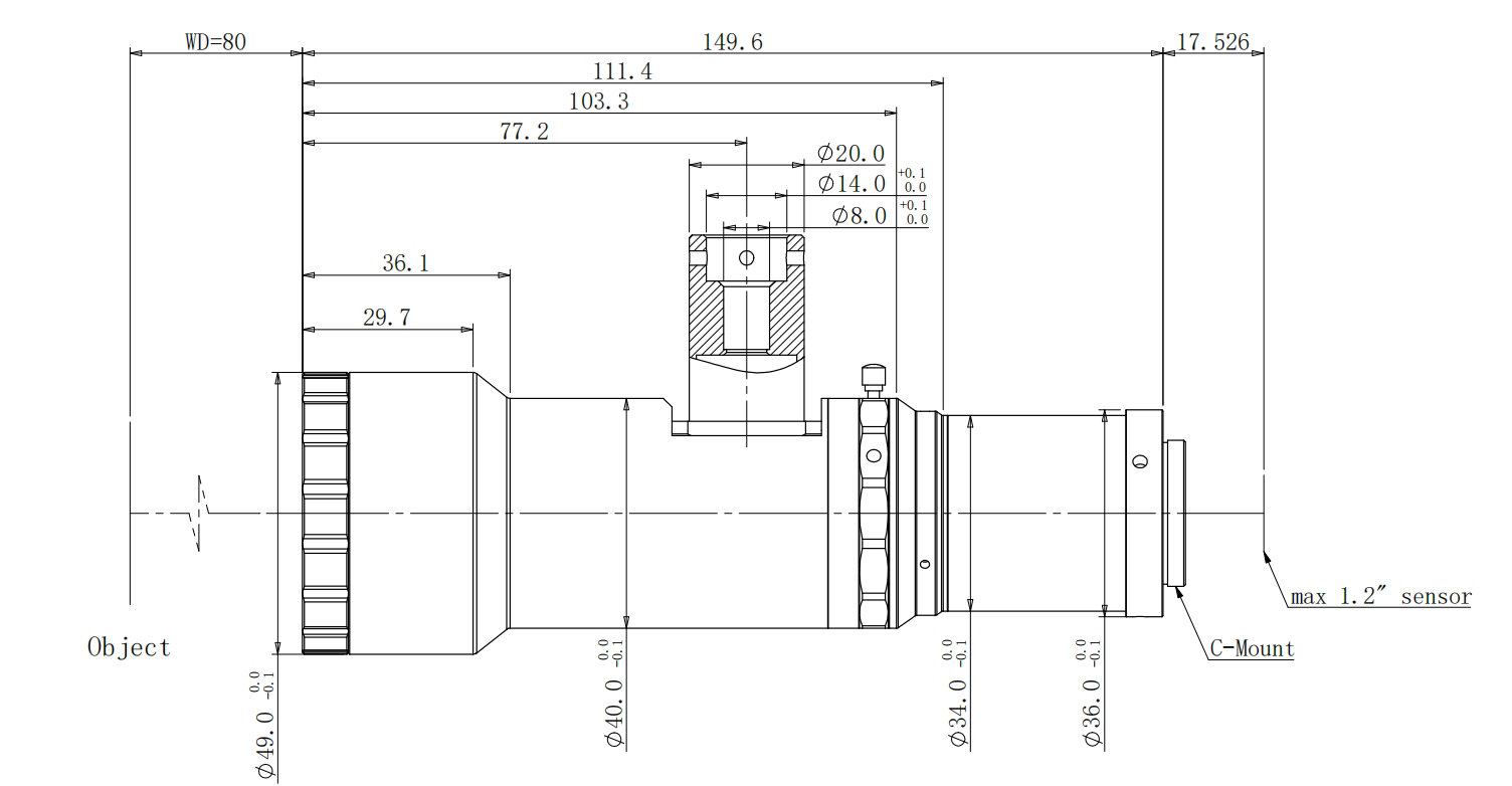
物方工作距WD(mm)
80
像方F/#
5.3-32
物方景深DOF(mm)
0.4-2.56
像方畸变(% max)
0.045
物方远心度(° max)
0.1
物像距I/O(mm)
247
镜头总长(mm)
149.6
镜头接口
C
像方MTF30(lp/mm)
171-32.5
物方数值孔径 N.A
0.095-0.0156
物方分辨率(μm)
3.5-21.472
工作波长(nm)
420~660
视野范围(mmxmm)
1.2" IMX530/540 (14.6X12.6)
14.6x12.6

0755-83512170 手机/微信:13249819590 QQ:2577758288 邮箱:2577758288@qq.com