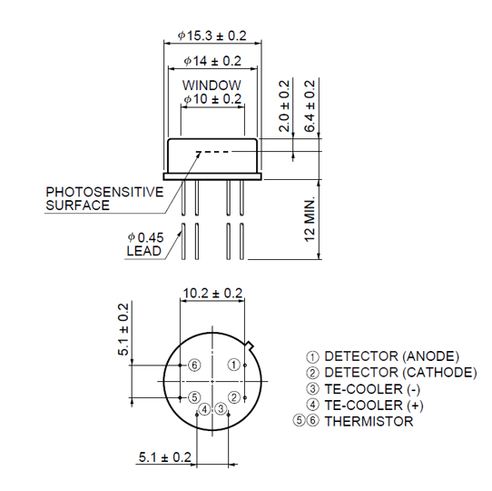
HAMAMATSU滨松 S2592-03 硅光电二极管
| 受光面 | 2.4 × 2.4 mm |
|---|---|
| 像素数 | 1 |
| 封装 | 金属 |
| 封装类别 | TO-8 |
| 散热 | 电子冷却 |
| 反向电压(最大值) | 5 V |
| 灵敏度波长范围 | 190 至 1100 nm |
| 最大灵敏度波长(典型值) | 960 nm |
| 感光灵敏度(典型值) | 0.5 A/W |
| 暗电流(最大值) | 38 pA |
| 上升时间(典型值) | 0.2 μs |
| 结电容(典型值) | 65 pF |
| 噪声等效功率(典型值) | 8.1×10-15 W/Hz1/2 |
| 测量条件 | 典型值 Ta=25°C,感光灵敏度:λ = 960 nm,暗电流:VR = 10 mV,结电容:VR = 0 V,噪声等效功率:VR = 0 V,λ = λp,除非另有说明 |


0755-83512170 手机/微信:13249819590 QQ:2577758288 邮箱:2577758288@qq.com