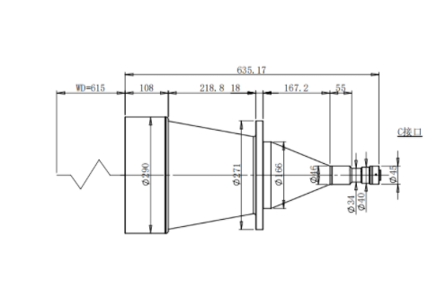
DEHONG 德鸿 WTL615-0074X12 远心镜头
基本参数
放大倍数(X)
0.074
物距
615
景深(mm)
55.5
远心度
<0.1
光学畸变
<0.1
光圈
F7.3
MTF>0.3(LP/MM)
120
相机接口
C
支持CCD尺寸
1.2
最大外径
290
视野范围(mm x mm)
1" PYTHON5000 (12.4*9.8)
167.6*132.4
1.1 IMX253/304 (14.1*10.3)
191.8*139.2
1.2‘’IMX540(14.6*12.6)
197.3*170.3

0755-83512170 手机/微信:13249819590 QQ:2577758288 邮箱:2577758288@qq.com