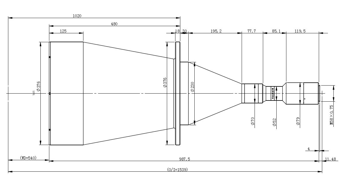
CR灿锐 XF-PTL35044-M58-11.48 远心镜头
| 光学结构 | 双远心 |
| 倍率X | 0.127 |
| 物方视野(mm) | 343.3 |
| 像方视野(mm) | 43.6 |
| 工作距离(mm) | 540 |
| 远心设计值(°) | 0.05 |
| 景深(mm) | 60.4 |
| 光圈 | F9 |
| 分辨力(μm) | 46.68 |
| 光学畸变设计值(%) | 0.04 |
| O/I(mm) | 1539 |
| 最大口径(mm) | 376 |
| 镜头总长(mm) | 987.5 |
| 芯片类型 | 35mm Full |
| 芯片长 | 36 |
| 芯片宽 | 24 |
| 对角线 | 43.3 |
| 物方视野长 | 283.5 |
| 物方视野宽 | 189 |
| 镜头接口 | M58接口 |

0755-83512170 手机/微信:13249819590 QQ:2577758288 邮箱:2577758288@qq.com