DEHONG 德鸿 WTL70-3.28F82 远心镜头
基本参数
放大倍数(X)
3.28
物距
70
景深(mm)
0.23
远心度
<0.1
光学畸变
<0.1
光圈
29.93
MTF>0.3(LP/MM)
45
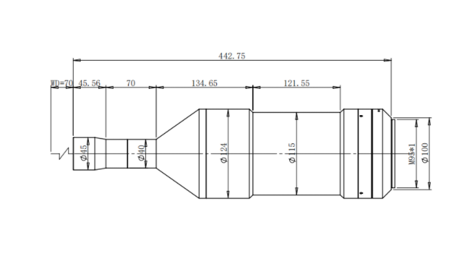
相机接口
M95
支持CCD尺寸
82mm
最大外径
45
视野范围(mm x mm)
KAI43142 (36*24)
11*7.3
62'' 12K线扫描12288*5UM
18.7
82'' Linescan-16K5um(81.9mm)
25

0755-83512170 手机/微信:13249819590 QQ:2577758288 邮箱:2577758288@qq.com