SIGMA 西格玛 1.5X12 FAC准直透镜
  • SIGMA 西格玛 1.5X12 FAC准直透镜

SIGMA 西格玛 1.5X12 FAC准直透镜


SIGMA    西格玛       1.5X12     FAC准直透镜


缩短后焦距后,可以将发光部和透镜安装在一起使用。由此可以有效地聚集大发散角的光源光线。
◦也可以作为线型传感器的聚光透镜或激光线发生器使用。
◦ 由于两面都镀有防反射膜,光量损失很小,可以有效地收集光量。

更多信息
目录编号W3408
RoHS
CE
信息▶价格随批量不同而变化。请至营业部门问询。
▶ 也承接小批量订购。
注意▶使用高能量LD阵列那样的非点光源(TEM00)时,不能形成良好的准直光。(包括在R断面上)
▶由于后焦距fb非常短,与圆柱型LD或有保护玻璃的元件一起使用时,有时不能对焦。
▶ 在长度方向上没有透镜会聚作用,因此通过透镜的光线在长度方向上将继续扩散变大。
▶由于从柱面透镜射出的光线在横竖方向的成像点位置不同,不能象球面透镜那样聚光到一点,也不能形成准直光线。
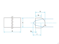
技术指标
材质钡镧系高折射率玻璃
设计波长808 nm
折射率1.812 ( 波长808 nm )
镀膜防反射膜
有效范围平面一侧开口的90%
A×B1.5×12 mm
焦距 f0.9 mm
NA>0.8
边缘厚度 te0.93 mm
中心厚度 tc1.41 mm
后焦距 fb0.15 mm







0755-83512170 手机/微信:13249819590  QQ:2577758288  邮箱:2577758288@qq.com            

你可能还喜欢
  • SIGMA 西格玛     N-5820P-D28     白色LED照明

    SIGMA 西格玛 N-5820P-D28 白色LED照明

  • SIGMA 西格玛    DRU-IF    暗室用小型换气扇(排气式)-复制

    SIGMA 西格玛 DRU-IF 暗室用小型换气扇(排气式)-复制

  • SIGMA 西格玛    DRU-VF   暗室用小型换气扇(排气式)

    SIGMA 西格玛 DRU-VF 暗室用小型换气扇(排气式)

  • SIGMA 西格玛       DRU-2819      简易暗室组件

    SIGMA 西格玛 DRU-2819 简易暗室组件

  • SIGMA 西格玛     DRU-2219       简易暗室组件

    SIGMA 西格玛 DRU-2219 简易暗室组件

  • SIGMA 西格玛     DRU-1816       简易暗室组件

    SIGMA 西格玛 DRU-1816 简易暗室组件

  • SIGMA 西格玛       DRU-1515     简易暗室组件

    SIGMA 西格玛 DRU-1515 简易暗室组件

  • SIGMA 西格玛       DRU-1212     简易暗室组件

    SIGMA 西格玛 DRU-1212 简易暗室组件

  • SIGMA 西格玛    SLB-25.4-SET        透镜套件

    SIGMA 西格玛 SLB-25.4-SET 透镜套件

  • SIGMA 西格玛     DRU-2017       简易暗室组件

    SIGMA 西格玛 DRU-2017 简易暗室组件

本站使用百度智能门户搭建 管理登录
粤ICP备2023023200号