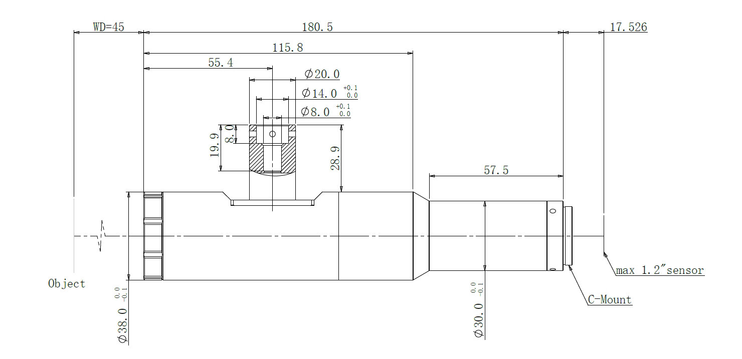
COOLENS视清 DTCA121-5C 工业镜头
基本参数
支持CCD尺寸(Φmm)
20(1.2")
物方视场FOV(Φmm)
5
放大倍率β(x)
4
物方工作距WD(mm)
45
像方F/#
11.7
物方景深DOF(mm)
0.06
像方畸变(% max)
<0.08
物方远心度(° max)
0.08
物像距I/O(mm)
243
镜头总长(mm)
180.5
镜头接口
C
像方MTF30(lp/mm)
>73
物方数值孔径 N.A
0.17
物方分辨率(μm)
2
工作波长(nm)
420~660
视野范围(mmxmm)
1.2" IMX530/540 (14.6X12.6)
3.65x3.15

0755-83512170 手机/微信:13249819590 QQ:2577758288 邮箱:2577758288@qq.com