DEHONG 德鸿 WTL330-012X6 远心镜头
基本参数
放大倍数(X)
0.12
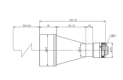
物距
330
景深(mm)
30
远心度
<0.1%
光学畸变
<0.1%
光圈
F11
MTF>0.3(LP/MM)
>100
相机接口
C
支持CCD尺寸
1/2
最大外径
84
视野范围(mm x mm)
1/2.5 9Pool/31 (5.7*4.2)
47.5*35
1/2 python1300 (6.1*4.9)
50.8*40.8

0755-83512170 手机/微信:13249819590 QQ:2577758288 邮箱:2577758288@qq.com