DEHONG 德鸿 WTL150-009X25 远心镜头
基本参数
放大倍数(X)
0.09
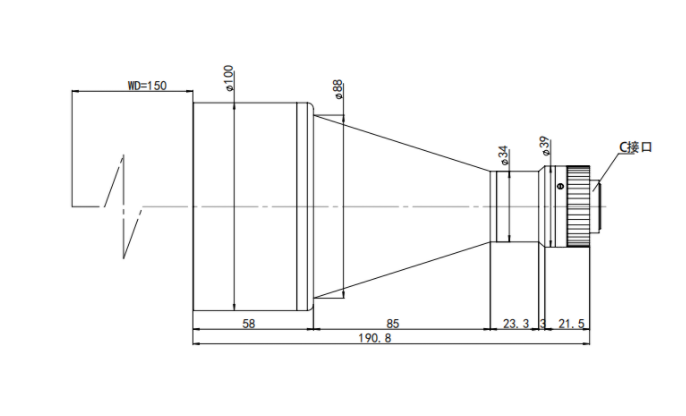
物距
150
景深(mm)
10
远心度
<0.1%
光学畸变
<0.1%
光圈
F5
MTF>0.3(LP/MM)
120
相机接口
C
支持CCD尺寸
1/2.5
最大外径
100
视野范围(mm x mm)
1/2.5 9Pool/31 (5.7*4.2)
63.3*47.6

0755-83512170 手机/微信:13249819590 QQ:2577758288 邮箱:2577758288@qq.com