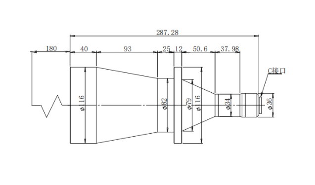
DEHONG 德鸿 WTL180-016X10 远心镜头
基本参数
放大倍数(X)
0.16
物距
180
景深(mm)
8
远心度
<0.1%
光学畸变
<0.1%
光圈
F6.8
MTF>0.3(LP/MM)
150
相机接口
C
支持CCD尺寸
1
最大外径
116
视野范围(mm x mm)
1" CMV4000(11.26*11.26)
70.4*70.4
1" PYTHON5000 (12.4*9.8)
77.5*61.2
1" IMX255 (14.1*7.5)
88.7*46.9
1" IMX183 (13.1*8.7)
82.1*54.8

0755-83512170 手机/微信:13249819590 QQ:2577758288 邮箱:2577758288@qq.com