HAMAMATSU滨松     L10101           微焦点 X 射线源
  • HAMAMATSU滨松     L10101           微焦点 X 射线源

HAMAMATSU滨松 L10101 微焦点 X 射线源

HAMAMATSU滨松     L10101           微焦点 X 射线源


特点

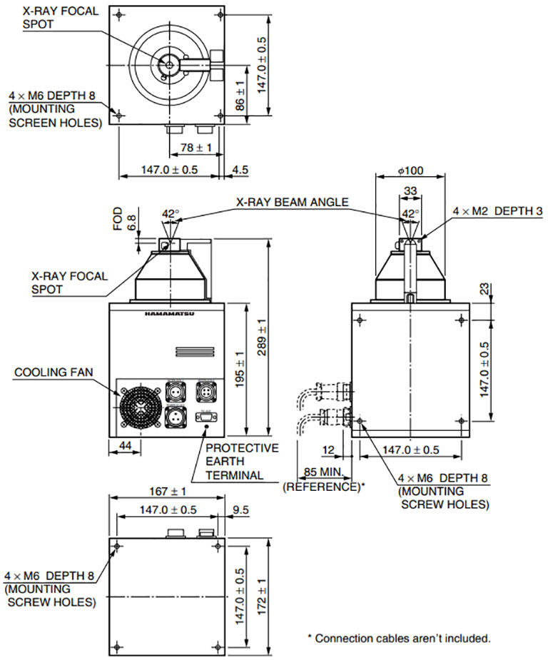
  • 短 FOD(焦点至物体距离):6.8 mm
  • 高功率:最大输出为 20 W
  • 焦点尺寸:5 µm(4 W 时)
  • 无需高压电缆连接

用途

  • 非破坏性检测
  • X 射线 CT

[Applicable objects]

  • 电子组件
  • 印刷电路板
  • 塑料组件
  • 金属组件

详细参数

管电压100 kV
类型密封型
管电压工作范围40 至 100 kV
最大输出20 W
X 射线焦点尺寸5 至 30(4W 时为 5um)μm
X 射线光束角度(锥角)42 度
焦点至物体距离 (FOD)6.8 mm

外形尺寸图(单位:mm)

0755-83512170 手机/微信:13249819590  QQ:2577758288  邮箱:2577758288@qq.com

你可能还喜欢
  • HAMAMATSU滨松   L11607-04    超辐射发光二极管

    HAMAMATSU滨松 L11607-04 超辐射发光二极管

  • HAMAMATSU滨松 S1227-1010BQ 硅光电二极管

    HAMAMATSU滨松 S1227-1010BQ 硅光电二极管

  • HAMAMATSU滨松 L2433-34NQ(SE) 空心阴极灯

    HAMAMATSU滨松 L2433-34NQ(SE) 空心阴极灯

  • HAMAMATSU滨松       E678-14C   光电倍增管座

    HAMAMATSU滨松  E678-14C 光电倍增管座

  • HAMAMATSU滨松      CR332     光电倍增管

    HAMAMATSU滨松  CR332  光电倍增管

  • HAMAMATSU滨松   R6877A   光电倍增管座

    HAMAMATSU滨松 R6877A 光电倍增管座

  • HAMAMATSU滨松 氙灯 L2175

    HAMAMATSU滨松 氙灯 L2175

  • HAMAMATSU滨松  颜色接近传感器 P13567-02CT

    HAMAMATSU滨松 颜色接近传感器 P13567-02CT

  • HAMAMATSU滨松   CC228P-01Y  小型高压电源模块

    HAMAMATSU滨松 CC228P-01Y 小型高压电源模块

  • HAMAMATSU滨松     氙灯     L12442

    HAMAMATSU滨松 氙灯 L12442

本站使用百度智能门户搭建 管理登录
粤ICP备2023023200号