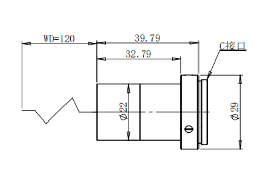
DEHONG 德鸿 DH120-035X22 微距镜头
基本参数
放大倍数(X)
0.35
物距
120
景深(mm)
4.5
远心度
0.1
光学畸变
0.1
光圈
F6.7
MTF>0.3(LP/MM)
130
相机接口
C
支持CCD尺寸
2/3
最大外径
22
视野范围(mm x mm)
2/3 IMX250/264 (8.4*7.1)
24*20.3
2/3 PYTHON2000 (9.2*5.7)
26.3*16.3
2/3 ICX674 (8.7*6.5)
24.8*18.6

0755-83512170 手机/微信:13249819590 QQ:2577758288 邮箱:2577758288@qq.com