DEHONG 德鸿 WTL300-008X10 远心镜头
基本参数
放大倍数(X)
0.08
物距
300
景深(mm)
99.999
远心度
<0.1%
光学畸变
<0.1%
光圈
F15
MTF>0.3(LP/MM)
>120
相机接口
C
支持CCD尺寸
1
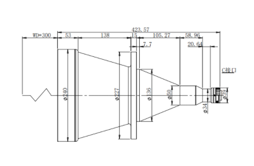
最大外径
240
视野范围(mm x mm)
1" CMV4000(11.26*11.26)
140.7*140.7
1" PYTHON5000 (12.4*9.8)
155*122.5
1" IMX255 (14.1*7.5)
176.2*93.7
1" IMX183 (13.1*8.7)
163.7*108.7

0755-83512170 手机/微信:13249819590 QQ:2577758288 邮箱:2577758288@qq.com