COOLENS视清 DTCA185-66C-G-M58-AL 工业镜头
基本参数
支持CCD尺寸(Φmm)
30(1.85")
物方视场FOV(Φmm)
66
放大倍率β(x)
0.454
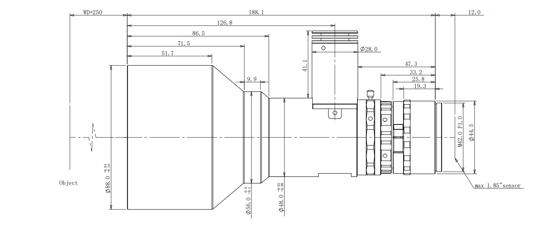
物方工作距WD(mm)
250±2
像方F/#
8-32
物方景深DOF(mm)
3.1-12.4
像方畸变(% max)
0.03
物方远心度(° max)
0.08
物像距I/O(mm)
450±2
镜头总长(mm)
188.1
镜头接口
M58
像方MTF30(lp/mm)
110-30
物方数值孔径 N.A
0.02838-0.00709
视野范围(mmxmm)
1.75" IMX342 (22.3x16.7)
49.1x36.8
1.85" GSPRINT4521(23.0x18.4)
50.7x40.5

0755-83512170 手机/微信:13249819590 QQ:2577758288 邮箱:2577758288@qq.com