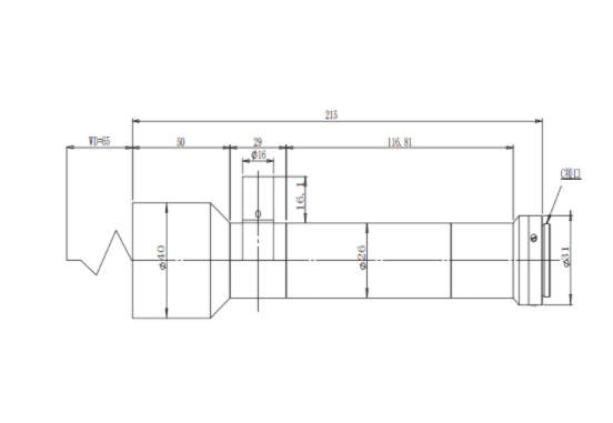
DEHONG 德鸿 WTL65-120T20 远心镜头
基本参数
放大倍数(X)
12
物距
65
景深(mm)
0.02
远心度
<0.1
光学畸变
<0.1
光圈
F27.3
MTF>0.3(LP/MM)
45
相机接口
C
支持CCD尺寸
1.1
最大外径
40
视野范围(mm x mm)
1.1 IMX253/304 (14.1*10.3)
1.16*0.85
1.1 IMX542 (14.5*8.3)
1.2*0.7
1.1 GAX0505 (12.8*12.8)
1.1*1.1

0755-83512170 手机/微信:13249819590 QQ:2577758288 邮箱:2577758288@qq.com