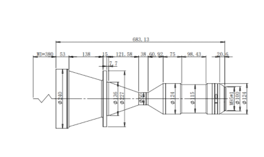
DEHONG 德鸿 WTL380-043F82 远心镜头
基本参数
放大倍数(X)
0.43
物距
380
景深(mm)
8
远心度
<0.1
光学畸变
<0.1
光圈
F17.9
MTF>0.3(LP/MM)
60
相机接口
M95
支持CCD尺寸
82mm
最大外径
240
视野范围(mm x mm)
KAI43142 (36*24)
83.7*55.8
Linesean-16K (57.4)
133.4
82'' Linescan-16K5um(81.9mm)
190.5

0755-83512170 手机/微信:13249819590 QQ:2577758288 邮箱:2577758288@qq.com