DEHONG 德鸿 CHD005-1020F-20 测量镜头
基本参数
放大倍数(X)
0.05
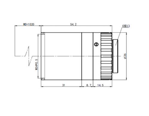
物距
1020
景深(mm)
99.999
远心度
<0.1
光学畸变
<0.1
光圈
6.25
MTF>0.3(LP/MM)
138
相机接口
C
支持CCD尺寸
1.2''
最大外径
36
视野范围(mm x mm)
1" IMX183 (13.1*8.7)
262.6*175.2
1.1 IMX253/304 (14.1*10.3)
283.8*206
1.2‘’IMX540(14.6*12.6)
292*252

0755-83512170 手机/微信:13249819590 QQ:2577758288 邮箱:2577758288@qq.com