DEHONG 德鸿 DH150-08F28X 高分辨率远心镜头
基本参数
放大倍数(X)
0.8
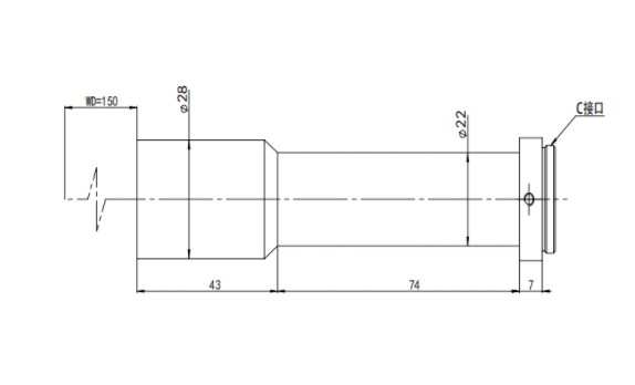
物距
150
景深(mm)
1
远心度
0.1
光学畸变
0.1
光圈
F10
MTF>0.3(LP/MM)
95
相机接口
C
支持CCD尺寸
2/3
最大外径
28
视野范围(mm x mm)
2/3 IMX250/264 (8.4*7.1)
10.5*8.9
2/3 PYTHON2000 (9.2*5.7)
11.5*7.1
2/3 ICX674 (8.7*6.5)
10.8*8.1

0755-83512170 手机/微信:13249819590 QQ:2577758288 邮箱:2577758288@qq.com