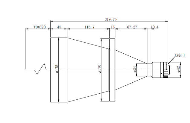
DEHONG 德鸿 WTL320-006X18 远心镜头
基本参数
放大倍数(X)
0.06
物距
320
景深(mm)
21
远心度
<0.1
光学畸变
<0.1
光圈
F4.7
MTF>0.3(LP/MM)
150
相机接口
C
支持CCD尺寸
1/1.8
最大外径
175
视野范围(mm x mm)
1/1.8 IMX178 (7.4*4.9)
123.8*81.7
1/1.8 (IMX252/265) (7.1*5.3)
118.3*88.3
1/1.8 EV76C570 (7.2*5.4)
120*90
1/1.8 EV76C560 (6.7*5.4)
111.6*90

0755-83512170 手机/微信:13249819590 QQ:2577758288 邮箱:2577758288@qq.com