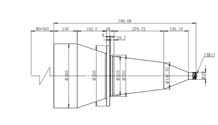
DEHONG 德鸿 WTL505-003X18 远心镜头
基本参数
放大倍数(X)
0.03
物距
505
景深(mm)
30
远心度
<0.1%
光学畸变
<0.1%
光圈
F5
MTF>0.3(LP/MM)
150
相机接口
C
支持CCD尺寸
1/1.8
最大外径
356
视野范围(mm x mm)
1/1.8 IMX178 (7.4*4.9)
247.7*163.3
1/1.8 (IMX252/265) (7.1*5.3)
236.7*176.7
1/1.8 EV76C570 (7.2*5.4)
240*180
1/1.8 EV76C560 (6.7*5.4)
223.3*180

0755-83512170 手机/微信:13249819590 QQ:2577758288 邮箱:2577758288@qq.com