DEHONG 德鸿 DH800-012X28-23 超长物距镜头
基本参数
放大倍数(X)
0.12
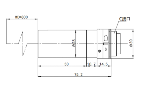
物距
800
景深(mm)
37
远心度
<0.1
光学畸变
<0.1
光圈
F6.5
MTF>0.3(LP/MM)
120
相机接口
C
支持CCD尺寸
2/3
最大外径
28
视野范围(mm x mm)
2/3 IMX250/264 (8.4*7.1)
70*59.2
2/3 PYTHON2000 (9.2*5.7)
76.7*47.5
2/3 ICX674 (8.7*6.5)
72.5*54.1

0755-83512170 手机/微信:13249819590 QQ:2577758288 邮箱:2577758288@qq.com