DEHONG 德鸿 WTL140-045X10-16 200线对远心镜头
基本参数
放大倍数(X)
0.45
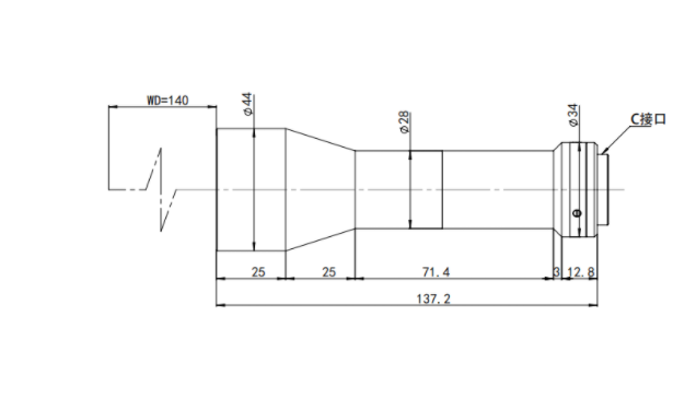
物距
140
景深(mm)
3.3
远心度
0.08
光学畸变
0.08
光圈
F8
MTF>0.3(LP/MM)
200
相机接口
C
支持CCD尺寸
1''
最大外径
44
视野范围(mm x mm)
1" CMV4000(11.26*11.26)
25*25
1" PYTHON5000 (12.4*9.8)
27.6*21.8
1" IMX255 (14.1*7.5)
31.3*16.7
1" IMX183 (13.1*8.7)
29.1*19.3

0755-83512170 手机/微信:13249819590 QQ:2577758288 邮箱:2577758288@qq.com