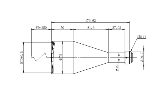
DEHONG 德鸿 WTL250-02X23-D 远心镜头
基本参数
放大倍数(X)
0.2
物距
250
景深(mm)
16.7
远心度
<0.1%
光学畸变
<0.1%
光圈
F6.6
MTF>0.3(LP/MM)
120
相机接口
C
支持CCD尺寸
2/3
最大外径
75
视野范围(mm x mm)
2/3 IMX250/264 (8.4*7.1)
42*35.5
2/3 PYTHON2000 (9.2*5.7)
46*28.5
2/3 ICX674 (8.7*6.5)
43.5*32.5

0755-83512170 手机/微信:13249819590 QQ:2577758288 邮箱:2577758288@qq.com