SIGMA 西格玛 TL-Y4 镜筒透镜
  • SIGMA 西格玛 TL-Y4 镜筒透镜

SIGMA 西格玛 TL-Y4 镜筒透镜


SIGMA    西格玛     TL-Y4     镜筒透镜


更多信息
目录编号W3462
RoHS
CE
资料下载


图纸下载



信息▶只可和无限共轭物镜配合使用,不能用于有限共轭物镜系统。
▶和奥林巴斯的物镜配合使用时,实际倍率和标称值略有差异。
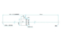
▶螺纹规格为 M32 x 0.5。
注意▶不能和有限共轭物镜一起使用,只可配用无限共轭物镜。
▶入射套管透镜(成像透镜)的光束有方向性要求。一定要从下面(无螺纹侧)入射。如果入射方向弄错了,球差,色差等像差会变大,导致光斑变大,甚至成像模糊。
▶实际入射的波长超出了设计波长范围的话,不仅像差会变大,而且透过率会降低。
技术指标
增透膜波长257nm、266nm、343nm、355nm、515nm、532nm、1030nm、1064nm
螺纹孔规格M32 x 0.5
瞳孔直径φ11.0 mm
自重0.055 kg
焦距 f200 mm
像视野φ24.0
倍率1.0x





0755-83512170 手机/微信:13249819590  QQ:2577758288  邮箱:2577758288@qq.com            

你可能还喜欢
  • SIGMA 西格玛     N-5820P-D28     白色LED照明

    SIGMA 西格玛 N-5820P-D28 白色LED照明

  • SIGMA 西格玛    DRU-IF    暗室用小型换气扇(排气式)-复制

    SIGMA 西格玛 DRU-IF 暗室用小型换气扇(排气式)-复制

  • SIGMA 西格玛    DRU-VF   暗室用小型换气扇(排气式)

    SIGMA 西格玛 DRU-VF 暗室用小型换气扇(排气式)

  • SIGMA 西格玛       DRU-2819      简易暗室组件

    SIGMA 西格玛 DRU-2819 简易暗室组件

  • SIGMA 西格玛     DRU-2219       简易暗室组件

    SIGMA 西格玛 DRU-2219 简易暗室组件

  • SIGMA 西格玛     DRU-1816       简易暗室组件

    SIGMA 西格玛 DRU-1816 简易暗室组件

  • SIGMA 西格玛       DRU-1515     简易暗室组件

    SIGMA 西格玛 DRU-1515 简易暗室组件

  • SIGMA 西格玛       DRU-1212     简易暗室组件

    SIGMA 西格玛 DRU-1212 简易暗室组件

  • SIGMA 西格玛    SLB-25.4-SET        透镜套件

    SIGMA 西格玛 SLB-25.4-SET 透镜套件

  • SIGMA 西格玛     DRU-2017       简易暗室组件

    SIGMA 西格玛 DRU-2017 简易暗室组件

本站使用百度智能门户搭建 管理登录
粤ICP备2023023200号