DEHONG 德鸿 WTL125-095X33 远心镜头
基本参数
放大倍数(X)
0.95
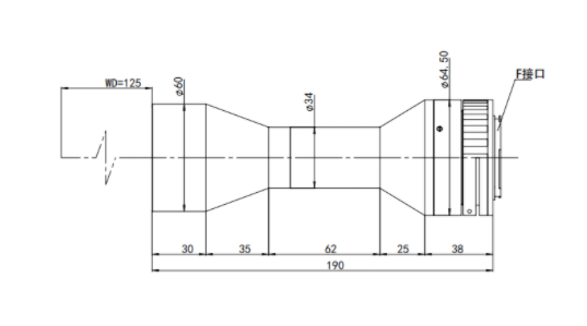
物距
125
景深(mm)
1.1
远心度
<0.1
光学畸变
<0.1
光圈
F12.8
MTF>0.3(LP/MM)
80
相机接口
F
支持CCD尺寸
2''
最大外径
60
视野范围(mm x mm)
4/3 PYTHON12K (18.4*13.8)
18.9*14.2
1.75 CMV12000 (22.5*16.9)
23.7*17.8
2" DALSA 12M (24.5*18.4)
25.8*19.4

0755-83512170 手机/微信:13249819590 QQ:2577758288 邮箱:2577758288@qq.com