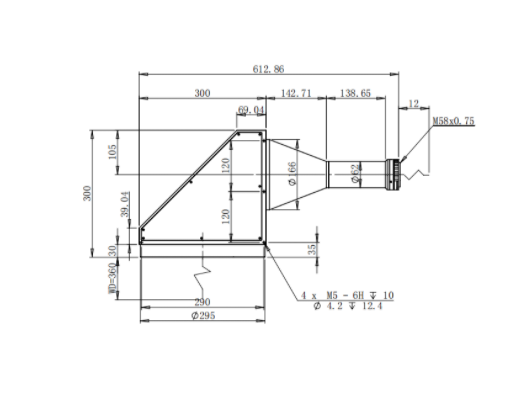
DEHONG 德鸿 WTL360-0147X71HR 远心镜头
基本参数
放大倍数(X)
0.147
物距
360
景深(mm)
28.1
远心度
<0.1
光学畸变
<0.1
光圈
F7.4
MTF>0.3(LP/MM)
135
相机接口
F
支持CCD尺寸
38
最大外径
295
视野范围(mm x mm)
2" PYTHON 25K (23*23)
156.73*156.73
CHR 70M (31*21.7)
210.88*147.62

0755-83512170 手机/微信:13249819590 QQ:2577758288 邮箱:2577758288@qq.com