COOLENS视清 DTCA121-7.3CL 工业镜头
基本参数
支持CCD尺寸(Φmm)
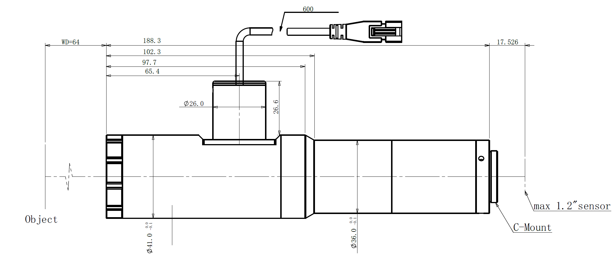
20(1.2")
物方视场FOV(Φmm)
7.3
放大倍率β(x)
2.74
物方工作距WD(mm)
64
像方F/#
8.5
物方景深DOF(mm)
0.1
像方畸变(% max)
0.06
物方远心度(° max)
0.005
物像距I/O(mm)
270
镜头总长(mm)
188.3
镜头接口
C
像方MTF30(lp/mm)
105
视野范围(mmxmm)
1.2" IMX530/540 (14.6X12.6)
5.33x4.59

0755-83512170 手机/微信:13249819590 QQ:2577758288 邮箱:2577758288@qq.com