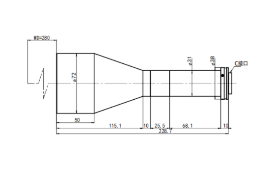
DEHONG 德鸿 WTL280-03X10 远心镜头
基本参数
放大倍数(X)
0.3
物距
280
景深(mm)
7.4
远心度
<0.1%
光学畸变
<0.1%
光圈
F11
MTF>0.3(LP/MM)
>100
相机接口
C
支持CCD尺寸
1
最大外径
72
视野范围(mm x mm)
1" CMV4000(11.26*11.26)
37.5*37.5
1" PYTHON5000 (12.4*9.8)
42.7*32
1" IMX255 (14.1*7.5)
47*25
1" IMX183 (13.1*8.7)
43.7*29

0755-83512170 手机/微信:13249819590 QQ:2577758288 邮箱:2577758288@qq.com