Shimatec仕玛铁 VPSD-120G 圆顶照明
| 材料 | 铝工程塑料 |
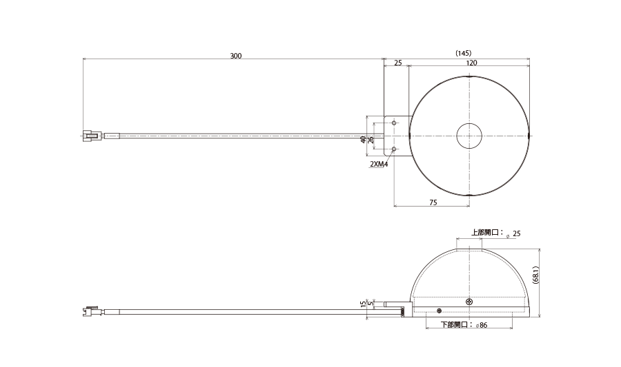
| 电缆长度 | 0.3m |
| 电缆类型 | 机器人电缆AWG22(2芯,外径4.7mm) |
| 使用通道数 | 1通道 |
| 能量消耗 | (RL)W (B,G)W (W)W (IR)W |
| 使用环境 | 温度0~40℃,湿度20~87%RH(无凝露) |
| 冷却方式 | 自然冷却 |
| 输入电压 | 直流24V |
| 连接器 | SMR-03V-B(日本出版社制造) |
| 极性 | 1 针:+(芯线粉色) 2 针:NC 3 针:-(芯线蓝色) |
| 大量的 | 220克 |
| 尺寸 | 外径 Φ120mm x 高 68.1mm 顶部开口尺寸 Φ25mm 底部开口尺寸 Φ86mm |

0755-83512170 手机/微信:13249819590 QQ:2577758288 邮箱:2577758288@qq.com