DEHONG 德鸿 WTL82-0377X10 远心镜头
基本参数
放大倍数(X)
0.377
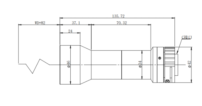
物距
82
景深(mm)
5
远心度
<0.1%
光学畸变
<0.1%
光圈
F6.8
MTF>0.3(LP/MM)
150
相机接口
C
支持CCD尺寸
1
最大外径
46
视野范围(mm x mm)
1" CMV4000(11.26*11.26)
29.9*29.9
1" PYTHON5000 (12.4*9.8)
32.8*25.9
1" IMX255 (14.1*7.5)
37.6*19.9
1" IMX183 (13.1*8.7)
34.8*23.2

0755-83512170 手机/微信:13249819590 QQ:2577758288 邮箱:2577758288@qq.com