CR灿锐 XF-T1X110D-Y11 远心镜头
产品参数
| 光学结构 | 物方远心 |
| 倍率 (X) | 1 |
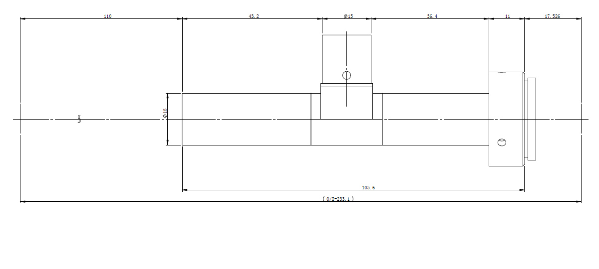
| 工作距离(mm) | 110 |
| 物方视野φ(mm) | 8 |
| 像方视野(mm) | 8 |
| 远心设计值(°) | 0.601 |
| 景深(mm) | 2.3 |
| 光圈 | F20.8 |
| 分辨力(μm) | 13.8 |
| 光学畸变设计值(%) | 0.054 |
| 镜头接口 | C接口 |
| O/I(mm) | 233.1 |
| 最大口径(mm) | 16 |
| 镜头总长(mm) | 105.6 |
| 芯片类型 | 1/2 |
| 芯片长 | 6.4 |
| 芯片宽 | 4.8 |
| 对角线 | 8 |
| 物方视野长 | 6.4 |
| 物方视野宽 | 4.8 |

外形图(点击可放大图形)

0755-83512170 手机/微信:13249819590 QQ:2577758288 邮箱:2577758288@qq.com