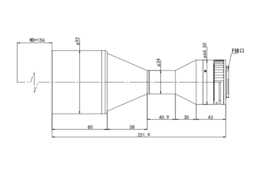
DEHONG 德鸿 WTL156-054X71 远心镜头
基本参数
放大倍数(X)
0.54
物距
156
景深(mm)
3.8
远心度
<0.1
光学畸变
<0.1
光圈
F13.5
MTF>0.3(LP/MM)
120
相机接口
F
支持CCD尺寸
38
最大外径
92
视野范围(mm x mm)
2" PYTHON 25K (23*23)
42.67*42.67
CHR 70M (31*21.7)
57.41*40.19

0755-83512170 手机/微信:13249819590 QQ:2577758288 邮箱:2577758288@qq.com