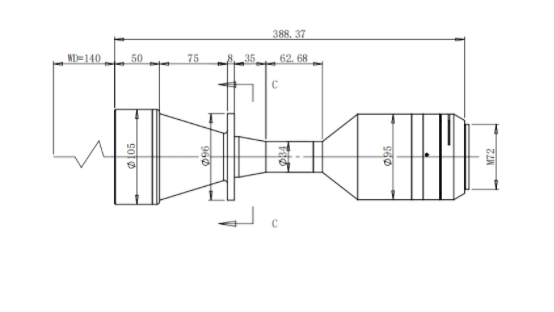
DEHONG 德鸿 WTL140-078F62 远心镜头
基本参数
放大倍数(X)
0.78
物距
140
景深(mm)
2.12
远心度
<0.1
光学畸变
<0.1
光圈
15.6
MTF>0.3(LP/MM)
80
相机接口
M72
支持CCD尺寸
62‘’
最大外径
105
视野范围(mm x mm)
KAI43142 (36*24)
46.2*30.8
KAI-47051 (48.7*29)
62.4*37.2
62'' 12K线扫描12288*5UM
78.7

0755-83512170 手机/微信:13249819590 QQ:2577758288 邮箱:2577758288@qq.com