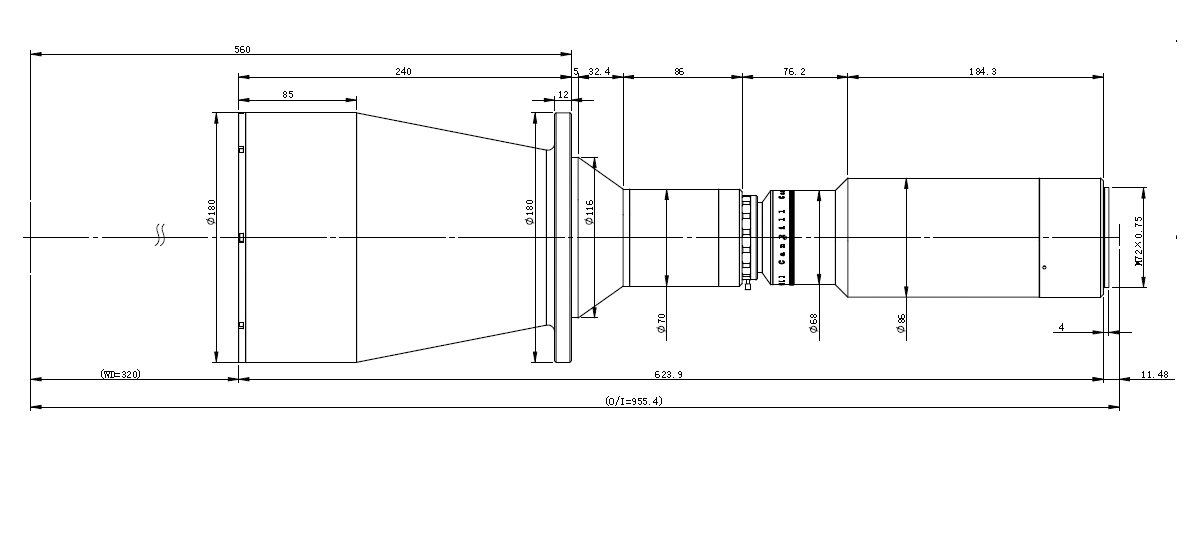
CR灿锐 XF-PTL15257-M72-11.48-VI 远心镜头
| 光学结构 | 双远心 |
| 倍率X | 0.391 |
| 物方视野(mm) | 146.8 |
| 像方视野(mm) | 57.4 |
| 工作距离(mm) | 320 |
| 远心设计值(°) | 0.04 |
| 景深(mm) | 7.9@F11 |
| 光圈 | F6-F76 |
| 分辨力(μm) | 18.55@F11 |
| 光学畸变设计值(%) | 0.032 |
| O/I(mm) | 955.4 |
| 最大口径(mm) | 180 |
| 镜头总长(mm) | 623.9 |
| 芯片类型 | 16k x 3.5μm |
| 芯片长 | / |
| 芯片宽 | / |
| 对角线 | 57.34 |
| 物方视野长 | 146.6 |
| 物方视野宽 | / |
| 镜头接口 | M72接口 |

0755-83512170 手机/微信:13249819590 QQ:2577758288 邮箱:2577758288@qq.com