DEHONG 德鸿 WTL180-073X61 远心镜头
基本参数
放大倍数(X)
0.73
物距
180
景深(mm)
2.5
远心度
<0.1
光学畸变
<0.1
光圈
F16
MTF>0.3(LP/MM)
80
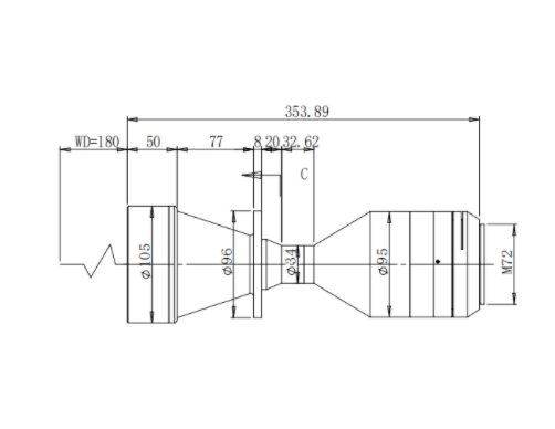
相机接口
M72
支持CCD尺寸
60mm
最大外径
105
视野范围(mm x mm)
KAI43142 (36*24)
49.3*32.9
KAI-47051 (48.7*29)
66.7*39.7
Linesean-16K (57.4)
78.6

0755-83512170 手机/微信:13249819590 QQ:2577758288 邮箱:2577758288@qq.com