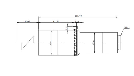
DEHONG 德鸿 WTL65-2X20G 远心镜头
基本参数
放大倍数(X)
2
物距
65
景深(mm)
0.29
远心度
<0.1
光学畸变
<0.1
光圈
14.29
MTF>0.3(LP/MM)
100
相机接口
C
支持CCD尺寸
1.1‘’
最大外径
44
视野范围(mm x mm)
1.1 IMX253/304 (14.1*10.3)
7.1*5.2
1.1 IMX542 (14.5*8.3)
7.3*4.2
1.1 GAX0505 (12.8*12.8)
6.4*6.4

0755-83512170 手机/微信:13249819590 QQ:2577758288 邮箱:2577758288@qq.com