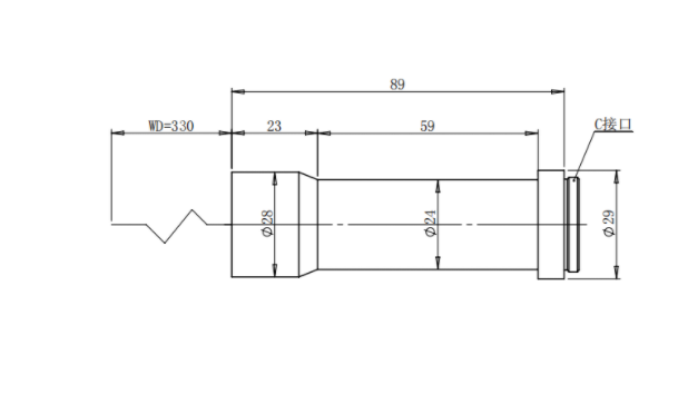
DEHONG 德鸿 DH330-025F28X 超长物距镜头
基本参数
放大倍数(X)
0.25
物距
330
景深(mm)
12
远心度
<0.1
光学畸变
<0.1
光圈
F9.6
MTF>0.3(LP/MM)
80
相机接口
C
支持CCD尺寸
2/3
最大外径
28
视野范围(mm x mm)
2/3 IMX250/264 (8.4*7.1)
33.6*28.4
2/3 PYTHON2000 (9.2*5.7)
36.8*22.8
2/3 ICX674 (8.7*6.5)
34.8*26

0755-83512170 手机/微信:13249819590 QQ:2577758288 邮箱:2577758288@qq.com