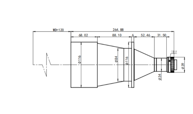
DEHONG 德鸿 WTL120-016X20HR 测量镜头
基本参数
放大倍数(X)
0.16
物距
120
景深(mm)
21
远心度
<0.1%
光学畸变
<0.1%
光圈
F6.8
MTF>0.3(LP/MM)
150
相机接口
C
支持CCD尺寸
1.1
最大外径
116
视野范围(mm x mm)
1.1 IMX253/304 (14.1*10.3)
87.5*64.4
1.1 IMX542 (14.5*8.3)
90.6*51.8
1.1 GAX0505 (12.8*12.8)
80*80

0755-83512170 手机/微信:13249819590 QQ:2577758288 邮箱:2577758288@qq.com