DEHONG 德鸿 WTL85-027X10 远心镜头
基本参数
放大倍数(X)
0.27
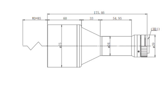
物距
85
景深(mm)
13.7
远心度
<0.1%
光学畸变
<0.1%
光圈
F11
MTF>0.3(LP/MM)
>160
相机接口
C
支持CCD尺寸
1
最大外径
75
视野范围(mm x mm)
1" CMV4000(11.26*11.26)
41.7*41.7
1" PYTHON5000 (12.4*9.8)
45.9*36.3
1" IMX255 (14.1*7.5)
52.2*27.8
1" IMX183 (13.1*8.7)
48.5*32.2

0755-83512170 手机/微信:13249819590 QQ:2577758288 邮箱:2577758288@qq.com